Home
Produkte
WLAN
IBH Link S7++ Logo

IBH Link S7++
Ethernet / MPI® / Profibus-Konverter für SIMATIC® S7-200®-300®/400®

IBH Link S7++

Mehr Information: S5/S7 für Windows® Katalog als PDF-Datei ansehen!

Neu ab Version 1.46 (Nov.2011):
Betrieb im WLAN über
S7-WLAN-Bridge möglich!

Hochauflösende Darstellung durch Klick aufs Bild!

Der Nachfolger des tausendfach bewährten IBH Link S7 und IBH Link S7 Crossover!

Die kostengünstige Alternative zum CP-Kommunikationsprozessor. Der IBH Link S7++ wird direkt aus dem AG versorgt (24V/50mA) oder über Schraubklemm- anschluß eingespeist.  Durch den IBHNet Treiber kann der IBH Link S7++ sowohl mit Microwin®, Step®7, TIA Portal, WinCC®, Protool® als auch mit S7 für Windows® und dem IBHsoftec OPC-Server eingesetzt werden. SimaticNet® wird nicht zwingend benötigt. Die Konfiguration der IP Adresse wird bequem aus IBHNet heraus vorgenommen. Auf der Ethernet-Seite wird das TCP/IP Protokoll unterstützt und auf der S7-Seite PPI®, MPI® und Profibus 9K6 bis 12 MBit/s, inkl. Routing auf DP/MPI® Subnetze. Zur Kommunikation mit Standard-HMI- Anwendungen ist das RFC1006-Protokoll integriert. Zwei Leuchtdioden zur Statuskontrolle sind vorhanden. Die 10/100 Mbit/s Ethernetschnittstelle ist potentialfrei. Die gesamte Elektronik sitzt im Steckergehäuse, keine externen Komponenten, kein zusätzliches Steckernetzteil.
Patchkabel im Lieferumfang.
IBHNet-Treiber für
Windows®2000/XP/Vista/7(32+64Bit)/8
Integration in Step®7 (32+64Bit)
Integration ins TIA Portal (32+64Bit)
Auch als Hutschienenversion erhältlich

IBH Link S7++

Highlights:

  • 16 gleichzeitige PC-Verbindungen
  • 32 gleichzeitige MPI®/DP-Verbindungen
  • Automatische Baudrate-Erkennung
  • Automatische Busprofil-Erkennung
  • RJ-45 Ethernet-Buchse mit Autonegotiation
  • PG-Buchse
  • S7-Routing über RFC1006
  • Fetch/Write über RFC1006
  • Status / Diagnose LEDs
  • Spannungsversorgung direkt aus der MPI®/DP Schnittstelle
  • Anschluß auch an passive Teilnehmer über 24V/DC Schraubklemmsteckbuchse
  • SPS<>SPS Kommunikation über SFC 67/68
  • TIA Integration 32bit und 64bit
  • Step®7 Integration 32bit und 64bit
  • Profibusdiagnosefunktionen
  • Konfiguration über Webbrowser
  • Konfiguration mit Step®7 NetPro möglich
  • Harmoniert mit S7-WLAN-Bridge
  • CommDTM für FDT Container frei verfügbar
  • GatewayDTM für DP/PA Link frei verfügbar
  • Master Klasse 2 für azyklische Dienste (DPV1)
  • Projektierung von Antrieben
  • Online auf SIMATIC®S5 über SINEC L2
  • Uhrzeitsynchronisation
  • Slavediagnose
  • Setzen der Slaveparameter über DPV1
  • Datensatzrouting
  • DHCP
  • Projektierung und Diagnose von Feldgeräten über TCI
  • Support für Starter, S7-PCT, PDM, LifeList
  • Support für COM Profibus
  • 10/100 Mbit mit Autodetect
  • Prozessdatenzugriff mit anderen Steuerungen, Windows und Linux
IBH Link S7++ HS

Download IBHNet Treiber, DTM Device Type Manager und Dokumentation

Bestelldaten:

WLAN

Neu ab IBHNet Version 1.51 (Sept.2012):
Unterstützung von Windows®8

Artikelnummer.:

 

 

20266

IBH Link S7++ inkl. Treiber IBHNet
PPI/MPI/DP(9K6 bis 12Mbit) nach Ethernet 10/100

499.- EUR

20268

IBH Link S7++ HS für Hutschienenmontage

569.- EUR

9391.1

Steckernetzteil 100-240V/AC Sek.: 24V/DC 625mA

42.- EUR

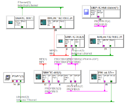
Applikationsbeispiele:

Beispiel IBH Link S7++
Beispiel IBH Link S7++

Unser Angebot richtet sich ausschließlich an gewerbliche Anwender. Wir liefern nicht an private Endverbraucher. Alle Preise sind als Nettopreise angegeben. Zu den genannten Preisen werden noch Versandkosten und die gesetzliche Mehrwertsteuer hinzugerechnet.
Impressum       Allgemeine Geschäfts Bedingungen       Kontakt: info@cdelectronic.de